Sign In | Join Free | My enlightcorp.com
China Dissmann | Global Expert Fuse for EV | HEV | Photovoltaic | Battery | Energy Storage Solutions logo
Dissmann | Global Expert Fuse for EV | HEV | Photovoltaic | Battery | Energy Storage Solutions
Fuse Specialist Manufacturer in Shenzhen China Your Safety and Life Protect is always for our first priority
Active Member

4 Years

Home > Semiconductor Fuses >

Fiber Material 1000VDC Semiconductor Fuse For Power Systems

Dissmann | Global Expert Fuse for EV | HEV | Photovoltaic | Battery | Energy Storage Solutions
Contact Now

Fiber Material 1000VDC Semiconductor Fuse For Power Systems

  • 1
  • 2

Brand Name : Dissmann

Model Number : HEV-J-Q

Certification : TUV/CCC

Place of Origin : China

MOQ : 100pcs

Price : Negotiable

Payment Terms : T/T, L/C

Supply Ability : 1,000,000pcs

Delivery Time : 5-8days

Packaging Details : Standard Carton Packing

Material : Fiber

Color : White

Rated Current : 5A-800A

Rated Voltage : 1000VDC

Type of protection : aR

Breaking Capacity : DC30KA

Application : pure electric vehicles

Keyword : EV charger fuse

Contact Now

1000VDC HEV fuse manufacture in China factory

Introduction of the HEV fiber fuse

We're Dissmann HEV series fuses suitable for rated current range of 5A~800A,rated voltage of AC/DC1000VDC,,interrupting rating up to AC100KA/DC30KA at 1000VDC.Most of our customer mainly use to protect power batteries, motors, capacitors,EV charger,wires and other equipment and devices.

Material of the HEV fuse

This fuse end contact mabe by copper alloy,fuse body is glass fiber tube and the filler is quartz sand.

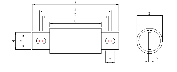
Dimension of the semiconductor fuse,Choose the size according to the rated current.

Fiber Material 1000VDC Semiconductor Fuse For Power Systems

Fiber Material 1000VDC Semiconductor Fuse For Power Systems

Dimension caode A±2 B±1.5 C±1 D±1.5 E±1.5 F±1 G±0.5 H±0.2 J±1
HF1 124 25 78 100 109 9 18 4 13.5
HF2 117 33 78 93 100 9 22 5 12.5
HF3 139.5 38 83.5 99.5 120 10.5 25 6 20.7
HF4 146.5 50 89.5 106 126.5 10.5 38 6 20.7
HF5 197.5 63 89.5 123.5 162.5 13.5 50 10 33

HF1:rated current range is 5A~80A

HF2:rated current range is 90A~150A

HF3:rated current range is 175A~325A

HF4:rated current range is 350A~500A

HF5:rated current range is 600A~800A

FAQ

Question 1:How to choose a fuse?

Answer:At the beginning,We will send you a customer actual application form.Generally, we need to clear your application field, opperating current and operating voltage, installation methods, certification requirements, and other parameter requirements.


Product Tags:

Fiber Material Semiconductor Fuse

      

1000VDC Semiconductor Fuse

      

Power Systems Semiconductor Fuses

      
Quality Fiber Material 1000VDC Semiconductor Fuse For Power Systems for sale

Fiber Material 1000VDC Semiconductor Fuse For Power Systems Images

Inquiry Cart 0
Send your message to this supplier
 
*From:
*To: Dissmann | Global Expert Fuse for EV | HEV | Photovoltaic | Battery | Energy Storage Solutions
*Subject:
*Message:
Characters Remaining: (0/3000)